澤天低溫擴散硅壓力傳感器定型與實施方案
研制目標
航空器使用的壓力傳感器溫度范圍一般要求-55℃~125℃。目前飛機發動機多使用不帶調理電路的傳感器,輸出為幾十mV或幾百mV;其他控制系統多采用0~5V輸出型壓力傳感器,為保證產品較高的可靠性,傳感器的調理電路使用模擬電路。針對以上應用研制積的低溫壓力傳感器,主要應用于航空領域,用來測量飛機氣路系統、液壓傳動系統、燃油的壓力。
通過項目實現-55℃~125℃壓力敏感芯體的試驗性生產,突破了擴散硅壓力敏感芯體只能在-40℃~125℃范圍內工作的限制。要將該壓力敏感芯體真正用于傳感器,實現-55℃低溫擴散硅壓力傳感器的批量化生產,還需要對敏感芯體的灌油密封工藝進行進一步完善、固化,并解決敏感芯體的溫度補償、封裝等技術。
技術指標
低溫壓力傳感器技術指標 量程:0~5MPa(絕壓);激勵:1.5~2mADC;輸出:0~100mV;精度:±0.3%FS;熱零點漂移:≤0.02%FS/℃;熱靈敏度漂移:≤0.02%FS/℃;輸入阻抗:(0.9~10)KΩ;輸出阻抗:(3~6)KΩ;工作溫度范圍:-55℃~125℃;
難點及關鍵技術
穩定性的提高 從已灌封的敏感芯體測試情況看,敏感芯體存在一些不穩定性,主要表現如下:敏感芯體經歷一次高低溫后,回常溫后零點輸出不重復,偏差大者達到了1%FS;年穩定性為0.3%FS/年也有待提高,年穩定性的提高需要采用穩定性好的芯片和特殊的封裝工藝。
溫漂的電阻網絡補償技術 擴散硅壓力敏感芯體具有很大的溫漂,一般使用恒流源供電,并在恒流源供電的情況下進行熱零點漂移和熱靈敏度漂移的補償,補償的方法為精密電阻網絡,這種方法的優點是無需使用溫度敏感器件,能夠自適應補償。未經補償的敏感芯體其熱零點漂移大于0.06%FS/℃,熱靈敏度漂移大于0.09%FS/℃,經過初次補償后,熱零點漂移可達0.015%FS/℃,熱靈敏度漂移可達0.032%FS/℃,從初次補償的結果看,熱靈敏度漂移離指標有一定距離。怎樣通過電阻網絡來進一步改善補償的效果成為該項目實施過程中的一個難點。
硅油凈化灌充 灌充的硅油要求干凈、無氣泡、無水,因此在灌充前需對器皿進行清潔干燥,對待充的硅油需進行干燥、抽真空、凈化處理。以使制作的傳感器具有較高的穩定性和較小的溫度系數。該充灌過程涉及的關鍵工藝參數有:加熱溫度、高溫保持時間、真空度、充灌時間、環境溫度、環境濕度。
密封銷釘的儲能焊接 焊接密封銷釘時要求焊接部位局部熱量高,焊接時間短,熔合充分,能夠承受傳感器額定過載壓力的作用。焊接質量直接關系到傳感器的可靠性和安全性。焊接的關鍵參數有焊接電流、脈沖寬度、觸點壓力、觸點位移。
恒流供電下溫漂的電阻網絡補償技術 傳感器的熱零點漂移和熱靈敏度漂移是表征傳感器溫度性能的主要指標,擴散硅壓力敏感芯體具有很大的溫度系數,無法直接應用,必須先進行溫漂補償。補償的主要方法是采用恒流供電,并在恒流供電的基礎上利用電阻網絡進行補償。補償要解決的關鍵問題是電阻網絡的拓撲結構、熱零點漂移補償電阻的阻值、熱靈敏度漂移補償電阻的阻值。
低溫壓力傳感器結構設計
結構設計如圖所示,由基座、敏感芯體、壓蓋、補償板、外殼、電連接器等組成。基座上的螺紋用來固定傳感器,密封方式為錐面密封。
低溫壓力傳感器電路設計
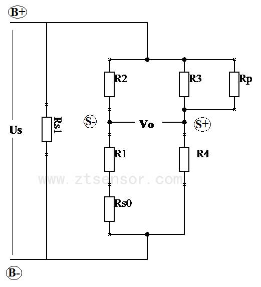
電路部分主要是對敏感芯體的溫度系數、零點偏移、量程偏移進行補償。補償均使用精密金屬膜電阻。溫度系數補償方法見圖所示,Rp和Rs0用來補償熱零點偏移,Rs1用來補償熱靈敏度偏移。零點偏移的補償采用在橋臂內串聯電阻的方法實現。熱靈敏度漂移的補償采用在電橋兩端并聯電阻進行分流的方法實現。考慮到一次補償后,敏感芯體的溫漂指標不能滿足要求。擬采用二次補償的方法對補償后的敏感芯體進行參數獲取,使用新的參數對敏感芯體進行再次補償。
圖 補償原理圖
補償板的設計滿足電路補償的工藝要求,補償板連接敏感元件的電氣連接線,板上預留有補償電阻固定位置。
壓力傳感器電路設計 敏感芯體的補償同低溫,調理電路主要由電源極性保護、瞬壓抑制、恒流源電路、放大電路和限幅電路構成。該電路的特點是所有器件使用模擬元器件輸出可以達到0~5V。該電路主要使用AD580和TLV2264兩個元器件,AD580提供2.5V的參考電壓,該電壓作為TLV2264的輸入,R11為電流采樣電阻,傳感器上的電流大小為2.5V/R11,該電流為浮地電流源。TLV2264另外3個運放構成一個經典的儀表運放,對敏感芯體的差模電壓進行放大,輸出一個單端的0~5V信號。
圖 調理電路原理圖
工藝設計
低溫壓力傳感器電路設計
圖 工藝流程圖
存在的問題及解決措施
為實現批量穩定生產,需對灌油封裝工藝進行摸索、完善、固化,而工藝摸索需要反復試驗。目前,凈化灌油工序采用現有設備實現,僅能進行小批量試驗性的生產任務。密封焊接采用外單位協作的方式,存在不確定因素,如半成品在外單位加工時可控性差。
結論
該總體方案確立了項目任務目標,對低溫擴散硅壓力傳感器的難點和關鍵點進行了分析,技術途徑和解決方案能夠指導項目實施。本文源自澤天傳感,版權所有,轉載請保留出處。

