Y-B系列不銹鋼(耐震)壓力表
文檔更新日期:2010-11-5???????點擊:
- 關 鍵 字:???不銹鋼壓力表,耐震不銹鋼壓力表
- 生產廠家:???澤天傳感
- 產品型號:???Y-60-B Y-100-B Y-150-B Y-60-B-Z Y-100-B-Z Y-150-B-Z
- 數據手冊: Y-B系列不銹鋼(耐震)壓力表.pdf
- 產品特點:???采用有良好耐腐蝕性能的不銹鋼材質制造
- 典型應用:???適用于有腐蝕性的環境,可檢測有弱腐蝕性,但不結晶、不凝固、粘度低的液體、氣體或蒸汽等介質的壓力
產品介紹
Y-B系列不銹鋼壓力表全部采用有良好耐腐蝕性能的不銹鋼材質制造,主要零件采用1Cr18Ni9、OCr18Ni12Mo2Ti、USU316、USU316L等材料,適用于有腐蝕性的環境,可檢測有弱腐蝕性,但不結晶、不凝固、粘度低的液體、氣體或蒸汽等介質的壓力。
Y-B-Z系列耐震不銹鋼壓力表因具有良好的抗震性能,所以可用于有機械強烈振動的環境,并耐受介質壓力劇烈脈動及沖擊載荷,用途更加廣泛。
型號命名
技術參數
注:接頭螺紋可按用戶要求,制作成管螺紋或錐管螺紋。
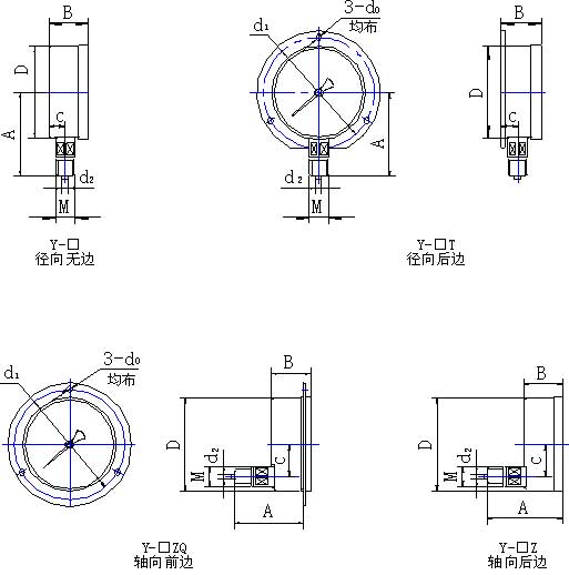
外形尺寸
Y-B系列不銹鋼(耐震)壓力表的更多產品圖片


