CWB120小型溫度變送器
- 關 鍵 字:???CWB120,小型溫度變送器
- 生產廠家:???澤天傳感
- 產品型號:???CWB120,ZTM128
- 數據手冊: CWB120小型溫度變送器.pdf
- 產品特點:???激光焊接,抗震動沖擊、抗干擾能力強,小巧堅固
- 典型應用:???制冷與空調、壓縮機組、控制冷卻水
CWB120小型溫度變送器是一款外形結構比CWB130更為小巧、緊湊的溫度測量傳感器,同樣基于標準化的Pt100或Pt1000溫度傳感元件和高性能專用信號調理電路制造而成。感溫元件采用德國高品質溫度鉑金電阻,結合澤天傳感成熟的生產工藝技術,產品性能卓越,最高測量溫度可達125度。CWB120結構上采用激光焊接,不銹鋼結構,抗震動沖擊、抗干擾能力強;美觀小巧堅固外形,特別適合對安裝空間受限的應用場合。
應用領域
制冷與空調、壓縮機組、控制冷卻水;
適用氣體或液體介質,如空氣、天然氣、蒸汽、水或機油等;
石油、化工、冶金、電力、機床、水處理、工業控制等。
技術參數
測量范圍:-50℃~125℃;
傳感器類型:Pt100或Pt1000;
供電電源:9~32VDC;
輸出信號:4~20mA;0~20mA;0~5VDC;0.5~4.5V等;
準 確 度:±0.1%FS;±0.2%FS;±0.5%FS;
重 復 性:±0.1%FS/年;
長期穩定性:±0.1%FS/年;
頻率響應:≥10Hz;
環境溫度:-45℃~85℃;
介質溫度:-50℃~125℃;
壓力連接:M14X1.5,G1/4,1/4NPT等或指定;
過程連接:316L, 304;
電氣連接:直接出線;M12;航空插件;
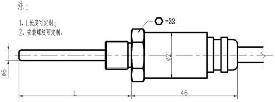
探頭直徑:Ф6mm(長度可定制);
外殼防護:IP65,P67。
典型外形結構
選型指南
選型示例: CWB120─(-50~100)℃T1S4A5C1W7, 表示溫度量程為(-50~100) ℃;感溫元件為PT100,輸出信號為兩線制4~20mA;測量精度:0.5級;電氣連接為直接引線;G1/4外螺紋,探頭長度100mm(包括固定螺紋的長度)。
注:
1、選型表中默認的供電電壓為24VDC,特殊供電電壓請聯系澤天傳感;
2、特殊探頭長度、輸出信號、精度等級、螺紋規格、電氣連接、材質、防護等級請聯系澤天傳感。
相關資料
1、CWB120溫度變送器外形尺寸CAD圖 請點擊下載。




